Ferrari Enzo - TAMIYA - 1:24 - STANDARD

Budujesz model, chcesz przedstawić relację z postępów w pracy, zastanawiasz się jak coś zrobić - to miejsce dla Ciebie.

Ferrari Enzo - TAMIYA - 1:24 - STANDARD

Postprzez DarkWing » sobota, 26 listopada 2011, 22:03

Ponieważ jest weekend i mam "odpoczynek" od prac nad motorkiem, a i powoli widać światełko w tunelu :) w jego budowie zaczynam się zastanawiać nad następnym modelem.... :roll:
Typy były trzy. Brałem pod uwagę F1 Renault-Williams, F1 Lotus Typ78 (obydwa w skali 1:12) oraz Ferrari Enzo w 1:24. Oczywiście wszystkie modele są w mojej "poczekalni". Ostatnio bardzo po głowie chodzi mi popełnienie jakiegoś bolidu a do tego jeszcze są one w skali 1:12 - a więc tej samej co motory... co byłoby ładnym uzupełnieniem kolekcji. Lotus jest jedną z nagród w konkursie więc ciekawie byłoby go robić... Jednak do bolidów chcę się jaokś szczególnie przyłożyć (co nieznaczy, że do tej pory odpuszczałem ;o) ) więc wybór padł na Ferrari... Dodatkowo będzie to niejako mój debiut w autach w tej skali. Ponieważ nie czuję sie zbyt pewnie we wszelkich przeróbkach, a i czasu juz coraz mniej więc model bedzie startował w klasie Standard. Mam nadzieję, że uda mi sie go skończyć w regulaminowym czasie i tym samym zakończyć konkurs z dorobkiem 3 modeli :P

Model o którym mowa prezentuje sie tak:
Obrazek

In-box modelu prezentuje sie następująco:
Obrazek

Obrazek

ramka z częściami chromowanymi została już pozbawiona tejże powłoki :)
Obrazek

Obrazek

Obrazek

Obrazek

Obrazek

jest też wersja ze "szklaną" podłogą :lol:
Obrazek

Obrazek

Obrazek

Obrazek

Jak widać ilość części jest dość imponujaca. Wykonanie na jak najwyższym poziome (bądź co bądź to Limited Edition i do tego licencjonowane przez Ferrari), mam nadzieję, że z pasowaniem nie będzie problemów. Warsztat zamierzam prowadzić w podobnym klimacje jak poprzednie (Suzuki i Honda).
Póki co kończę Honde i mam nadzieję do szybkiego zobaczenia w relacji z budowy Ferrari...
Pozdrawiam
Sławek (DarkWing)
Avatar użytkownika
DarkWing

100-lecie Niepodległości
 
Posty: 757
Dołączył(a): niedziela, 2 października 2011, 15:39
Lokalizacja: Gorzów Wlkp.

Reklama

modele polskich samolotów

Re: Ferrari Enzo - TAMIYA - 1:24 - STANDARD

Postprzez cayman » sobota, 26 listopada 2011, 22:53

No wreszcie auto bo ja niedługo dostanę pierwszy motor.Aż szkoda że klasa Standard bo można go poczęstować waloryzacją.Ale jak pierwsze auto to niech tak zostanie.Tamija się dobrze składa ale wcześniej lepiej wszystko posprawdzać na sucho.A potem ogień.Jestem w pierwszym rzędzie.

Pozdrawiam Piotrek

A kto nie ryzykuje ten nie pije szampana.
Pozdrawiam Piotrek

A kto nie ryzykuje ten nie pije szampana.
cayman

Carbon Master
 
Posty: 820
Dołączył(a): czwartek, 20 października 2011, 02:30

Re: Ferrari Enzo - TAMIYA - 1:24 - STANDARD

Postprzez Macio4ever » niedziela, 27 listopada 2011, 01:27

To bardzo dobry model i jestem przekonany, że w PZP może być spektakularnie wykonany. Licencjonowaniem bym się mocno nie ekscytował - teraz większość ma taką informację na pudełkach, ze wzgledu na prawa do logo itp. Powodzenia w projekcie!
Kolor już wybrałeś?
First Man Than Machine
Avatar użytkownika
Macio4ever
 
Posty: 3728
Dołączył(a): poniedziałek, 1 października 2007, 21:59
Lokalizacja: Warszawa

Re: Ferrari Enzo - TAMIYA - 1:24 - STANDARD

Postprzez portalus » niedziela, 27 listopada 2011, 09:47

Macio4ever napisał(a):Kolor już wybrałeś?

Co tam jest w instrukcji? >>> Giallo Modena (znaczy żółty bez efektu)
A limited edition to dla tego, że dali więcej kalek (karbon) z tego co kojarzę i chyba te bezbarwne panele podwozia.
Avatar użytkownika
portalus
 
Posty: 2963
Dołączył(a): środa, 19 września 2007, 18:52
Lokalizacja: Swarzędz

Re: Ferrari Enzo - TAMIYA - 1:24 - STANDARD

Postprzez Emilssi » niedziela, 27 listopada 2011, 10:56

Swietny wybor. Bede ogladal z zainteresowaniem :) Troche szkoda ze kategoria standart nie pozwala na zadne modyfikacje bo ten silnik az sie prosi o pare kabli (zwlaszcza ze Enzo ma sporo 'braided wire') ale w Twoim wykonaniu nawet standard napewno bedzie dorownywal nie jednemu modelowi z OPEN. Powodzenia :!: :!: :!:
Avatar użytkownika
Emilssi
 
Posty: 68
Dołączył(a): sobota, 31 października 2009, 13:25

Re: Ferrari Enzo - TAMIYA - 1:24 - STANDARD

Postprzez DarkWing » niedziela, 27 listopada 2011, 14:48

Panowie spokojnie... do warsztatu jeszcze troszkę czasu a widzę, że model już wywołuje emocje :lol: - cieszę się bardzo.
Tak, model bedzie PZP i mam nadzieję, że tak jak w przypadku Hayabusy będę mógł pokazać, że bez żadnych dodatków mozna zbudować piękny model, pieknego auta... :lol:
Kolor ? - oczywiście Yellow, mam już farby Tamiya TS-16.
Przyznam, że zastanawiałem się też nad wystawieniem Ferrari Testarossy w 1:12 :) . Mam to coś lekko rozgrzebane ;o) więc pomyślałem, że byłaby okazja na dokończenie. Niestety to model Revella i jakoś nie widzę go w konkursie... :-/, będzie więc musiał dalej czekać na swój czas :mrgreen:.
Pozdrawiam
Sławek (DarkWing)
Avatar użytkownika
DarkWing

100-lecie Niepodległości
 
Posty: 757
Dołączył(a): niedziela, 2 października 2011, 15:39
Lokalizacja: Gorzów Wlkp.

Re: Ferrari Enzo - TAMIYA - 1:24 - STANDARD

Postprzez DarkWing » czwartek, 29 grudnia 2011, 15:07

No i Ferrari doczekało się swojego czasu :)
Zaczynam na całego warsztat z trzecim modelem konkursowym. Muszę Wam się przyznać, że projekt ten był w pewnym momencie poważnie zagrożony :mrgreen: ... W ramach "samoprezentu" kupiłem sobie na święta i pod choinkę ;o) dwa nowe modele, tym razem coś z działu lotnictwa. Współczesny F-15 od Tamiya w 1:32 oraz od dawna wymarzony Spitfire, tym razem od Trumpetera ale za to w 1:24 :D. Ten ostatni baaaardzo mnie kusi, żeby już go zacząć ale koniec końców ponieważ słowo się rzekło pozostaję przy Ferrari...

Warsztat będę prowadził w "swoim" stylu jednak.... niestety... nie będzie tak dokładny jak byście tego chcieli :evil: . Zamierzam przedstawiać gotowe etapy lub ich części, nie będzie zatem zdjęć z przygotowań i obróbki - chyba, że będzie tego wymagał jakiś napotkany problem..... Wiem, wiem... buu..... :mrgreen: . Trudno.... jakoś to przełknę :P
Model jest w klasie Standard, a więc wykonam go PZP. Mam nadzieję, że w miarę staranne wykonanie ukaże wszystkie walory tego auta, a malowanie oraz wash zastąpi Openowskie dodatki... :roll: - taki żarcik....

ETAP 1

Obrazek

Blok silnika. Całośc malowana sprayem Tamiya TS-17 alluminium. Brudzing wykonany z pędzla X-19 smoke
Obrazek

Obrazek

brakuje jedynie paska rozrządu z kołami i napinaczami - aktualnie pomalowane - schnie :)
Pozdrawiam
Sławek (DarkWing)
Avatar użytkownika
DarkWing

100-lecie Niepodległości
 
Posty: 757
Dołączył(a): niedziela, 2 października 2011, 15:39
Lokalizacja: Gorzów Wlkp.

Re: Ferrari Enzo - TAMIYA - 1:24 - STANDARD

Postprzez WestBikers » czwartek, 29 grudnia 2011, 15:30

Silnik prezentuje się świetnie - wash wyszedł super
Avatar użytkownika
WestBikers
 
Posty: 528
Dołączył(a): niedziela, 9 marca 2008, 22:35
Lokalizacja: Środa Wlkp.

Re: Ferrari Enzo - TAMIYA - 1:24 - STANDARD

Postprzez Macio4ever » czwartek, 29 grudnia 2011, 21:00

Silnik wygląda cacy!
First Man Than Machine
Avatar użytkownika
Macio4ever
 
Posty: 3728
Dołączył(a): poniedziałek, 1 października 2007, 21:59
Lokalizacja: Warszawa

Re: Ferrari Enzo - TAMIYA - 1:24 - STANDARD

Postprzez JAY_R » piątek, 30 grudnia 2011, 21:51

Już nowy model, ale czad. Powodzonka. Fajne kolorki silnika i skrzyni :)
Obrazek
Avatar użytkownika
JAY_R
 
Posty: 48
Dołączył(a): sobota, 20 marca 2010, 19:58
Lokalizacja: Wrocław

Re: Ferrari Enzo - TAMIYA - 1:24 - STANDARD

Postprzez DarkWing » poniedziałek, 2 stycznia 2012, 18:41

Dzisiaj przedstawiam 3 etapy, jakoś tak zleciało :P ....

ETAP 2

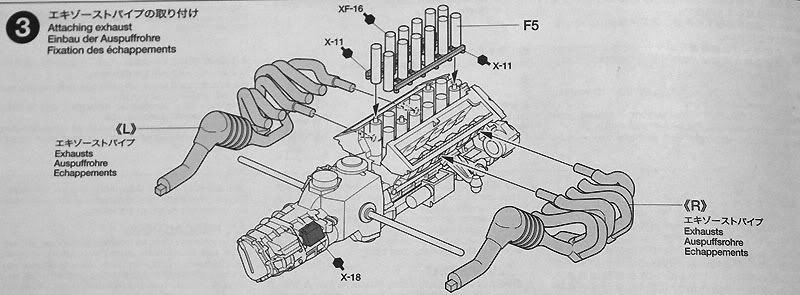
Montaż kolektorów wydechowych
Obrazek

ETAP 3

Montaż gotowych kolektorów do bloku silnika
Obrazek

Kolektory po sklejeniu oraz obrobieniu (szlif) pomalowałem na czarny połysk. Następnie z aero dałem chrom. Ponieważ w oryginale nie powinno być czystego chromu a raczej polerowane aluminium, do takiego efektu końcowego dążyłem. Dlaczego odrazu nie dałem polerowanego alu ? Ano po dodaniu przelaleń kolor stałby się w najlepszym przypadku zwykłym aluminium a nawet srebrzysto szary. Dlatego najpierw poszedł chrom a na to porobiłem przepalenia - delikatnie. W efekcie finalnym uzyskałem to co chciałem i co widać... :)
Obrazek

Obrazek

Obrazek

ETAP 4

Osadzenie silnika na ramie. Pokrywy zaworów założone już wcześniej.
Obrazek

Założyłem też w końcu paski zębate z kołami... o mało zapomniałbym o nich... :mrgreen:
Obrazek

Obrazek

Póki co tyle... ale prace idą dość szybko ;o) .
Pozdrawiam
Sławek (DarkWing)
Avatar użytkownika
DarkWing

100-lecie Niepodległości
 
Posty: 757
Dołączył(a): niedziela, 2 października 2011, 15:39
Lokalizacja: Gorzów Wlkp.

Re: Ferrari Enzo - TAMIYA - 1:24 - STANDARD

Postprzez siara1939 » poniedziałek, 2 stycznia 2012, 19:07

Silnik bardzo ladny.
Avatar użytkownika
siara1939

Korvettenkapitän PWM'u
 
Posty: 5061
Dołączył(a): sobota, 2 lutego 2008, 12:19

Re: Ferrari Enzo - TAMIYA - 1:24 - STANDARD

Postprzez Macio4ever » poniedziałek, 2 stycznia 2012, 19:26

First Man Than Machine
Avatar użytkownika
Macio4ever
 
Posty: 3728
Dołączył(a): poniedziałek, 1 października 2007, 21:59
Lokalizacja: Warszawa

Re: Ferrari Enzo - TAMIYA - 1:24 - STANDARD

Postprzez draz » poniedziałek, 2 stycznia 2012, 19:30

Co racja to racja, powinny być matowe gruboziarniste.

A kolegę to podziwiam za ilość modeli jakie jest w stanie robić.
Bartosz Obara
Obrazek
Avatar użytkownika
draz

Ojciec chrzestny
 
Posty: 2254
Dołączył(a): sobota, 15 września 2007, 10:44
Lokalizacja: Katowice

Re: Ferrari Enzo - TAMIYA - 1:24 - STANDARD

Postprzez Kazik » poniedziałek, 2 stycznia 2012, 19:40

Macio4ever napisał(a):Silnik ładny ale czy na pewno pokrywy zaworów powinny być w błysku?

Widać nawet na instrukcji xf-7.
Obrazek
Pozdrawiam
Marek
Avatar użytkownika
Kazik
 
Posty: 3566
Dołączył(a): środa, 19 września 2007, 13:05
Lokalizacja: Warszawa

Następna strona

Powrót do Pojazdy cywilne - warsztat

Kto przegląda forum

Użytkownicy przeglądający ten dział: Brak zidentyfikowanych użytkowników i 20 gości